RR-S-550E

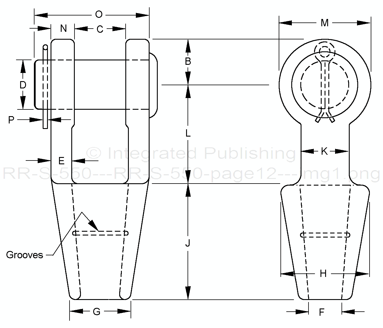
FIGURE 1. Wire rope open socket, type A.
12
For Parts Inquires call Parts Hangar, Inc (727) 493-0744
© Copyright 2015 Integrated Publishing, Inc.
A Service Disabled Veteran Owned Small Business
RR-S-550E

FIGURE 1. Wire rope open socket, type A.
12