
A-A-55603A
7.7 Government users. To acquire information on obtaining these clamp, guy, (pole line) from the
Government inventory system, contact DLA Land and Maritime, ATTN: DLA Land and Maritime Call
Center (NAB), P.O. Box 3990, Columbus, OH 432183990 or telephone (614) 692-2271 or (614) 692-
3191.
7.8 Legacy. This commercial item description is a replacement for MS16791 for all federal agencies
(MS16791 is canceled as of 02-MAY-1995 and copies of these documents are available online at
www.acquisition.gov/comp/far/index.html or from the U.S. Government Printing Office, 732 North Capital
Street, NW, Washington D.C. 20401.)
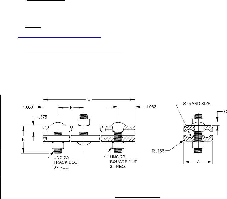
7.9 Clamp, guy (pole line) drawing with dimensions. See figure 1.
FIGURE 1. Clamp, guy (pole line).
4
For Parts Inquires call Parts Hangar, Inc (727) 493-0744
© Copyright 2015 Integrated Publishing, Inc.
A Service Disabled Veteran Owned Small Business